Wenzhou Joepai วาล์ว บจก.
Wenzhou Joepai วาล์ว บจก.
วาล์วบอลหน้าแปลน
ANSI มาตรฐานสแตนเลสบอลวาล์วระดับ 150lb
  • ANSI มาตรฐานสแตนเลสบอลวาล์วระดับ 150lbANSI มาตรฐานสแตนเลสบอลวาล์วระดับ 150lb
  • ANSI มาตรฐานสแตนเลสบอลวาล์วระดับ 150lbANSI มาตรฐานสแตนเลสบอลวาล์วระดับ 150lb
  • ANSI มาตรฐานสแตนเลสบอลวาล์วระดับ 150lbANSI มาตรฐานสแตนเลสบอลวาล์วระดับ 150lb

ANSI มาตรฐานสแตนเลสบอลวาล์วระดับ 150lb

Joepai ทนทาน ANSI Standard Stainless Steel Ball Valves Class 150lb ออกแบบและผลิตอย่างเคร่งครัดตาม ANSI B16.34 และ API 608 ทำจากสแตนเลสที่มีความแข็งแรงสูง (CF8/CF8M/CF3M) ผลิตภัณฑ์นี้ใช้กันอย่างแพร่หลายในอุตสาหกรรมเช่นปิโตรเคมีก๊าซธรรมชาติการบำบัดน้ำยาเวชภัณฑ์และการควบคุมสื่อเกรดอาหารและเป็นตัวเลือกที่เหมาะสำหรับระบบสนับสนุนที่ได้มาตรฐานในตลาดโลก

Joepai คุณภาพสูง ANSI มาตรฐานสแตนเลสบอลวาล์วระดับ 150lb ได้อย่างแม่นยำ การเปรียบเทียบระบบมาตรฐานสากลรวมข้อดีเช่น ความต้านทานการกัดกร่อนการปิดผนึกสูงและการปรับตัวสูงและน่าเชื่อถือ แบรนด์สำหรับการควบคุมของเหลวที่มีประสิทธิภาพในระบบอุตสาหกรรมระดับโลก

รายละเอียดผลิตภัณฑ์

การออกแบบ: ANSI 16.34
สิ้นสุดหน้าแปลน: ASME B16.5
ขนาดแบบตัวต่อตัว: ASME B16.10
การตรวจสอบและทดสอบ: API 598
ขนาด: 1/2 "~ 10", ความดัน: 150lb ~ 300lb
พอร์ตเต็มรูปแบบคันโยกที่ดำเนินการ
การออกแบบลำต้นที่ป้องกันการระเบิด
การคัดเลือกนักลงทุน
วัสดุ: เหล็กคาร์บอน WCB/DIN1.0619
สแตนเลส 304/1.4308
สแตนเลส 316/1.4408
เหมาะสม: น้ำน้ำมันก๊าซ

ANSI Standard Stainless Steel Ball Valves

ANSI Standard Stainless Steel Ball Valves

ชิ้นส่วนหลักและวัสดุ

1 ร่างกาย WCB/ CF8/ CF8M 9 แผ่นรองแรงขับ WCB/ CF8/ CF8M
2 ที่นั่ง ptfe 10 การบรรจุหีบห่อ WCB/ CF8/ CF8M
3 ลูกบอล SS304/ SS316 11 ลำต้น SS304/ SS316
4 สายฟ้า SS304/ SS316 12 ต่อม SS304/ SS316
5 เครื่องซักผ้าฤดูใบไม้ผลิ SS304/ SS316 13 ถั่ว SS304/ SS316
6 ถั่ว SS304/ SS316 14 เครื่องซักผ้าฤดูใบไม้ผลิ SS304/ SS316
7 หมวก WCB/ CF8/ CF8M 15 คันโยก เอสเอส
8 ปะเก็น WCB/ CF8/ CF8M

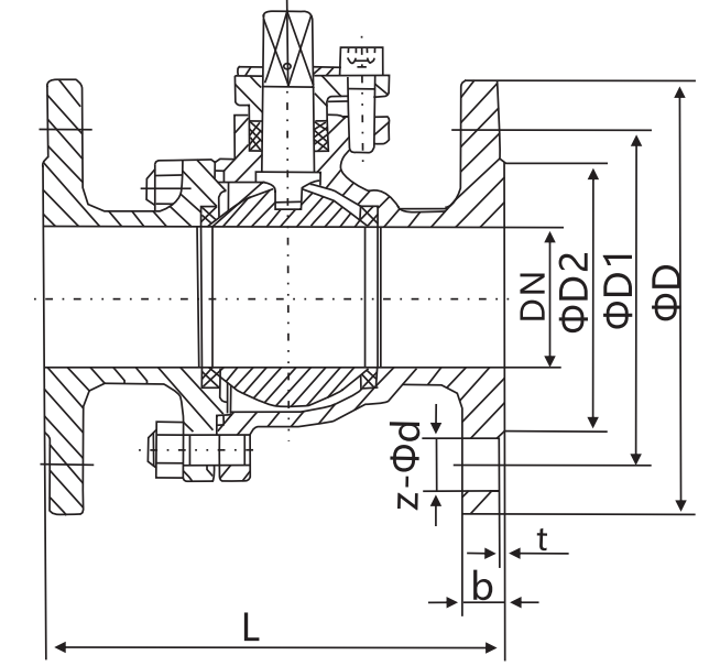
มิติหลัก

Ansi 150lb

NPS DN L D D1 D2 b t z-φd
1/2 " 15 108 90 60.3 34.9 11.5 1.6 4-F16
3/4 " 20 117 100 69.9 42.9 13 1.6 4-F16
1 " 25 127 110 79.4 50.8 14.5 1.6 4-F16
11/4 " 32 140 115 88.9 63.5 16 1.6 4-F16
11/2 " 40 165 125 98.4 73 17.5 1.6 4-F16
2 " 50 178 150 120.7 92.1 19.5 1.6 4-F19
21/2 " 65 190 180 139.7 104.8 22.5 1.6 4-F19
3 " 80 203 190 152.4 127 24 1.6 4-F19
4 " 100 229 230 190.5 157.2 24 1.6 4-F19
5 " 125 356 255 215.9 185.7 24 1.6 4-F22
6 " 150 394 280 241.3 215.9 25.5 1.6 4-F22
8 " 200 457 345 298.5 269.9 29 1.6 4-F22
10 " 250 533 405 362 323.8 30.5 1.6 4-F25
12 " 300 610 485 431.8 381 32 1.6 4-F25
14 " 350 686 535 476.3 412.8 35 1.6 4-F29
16 " 400 762 595 539.8 469.9 37 1.6 4-F29

ANSI 300lb

NPS DN L D D1 D2 b t z-φd
1/2 " 15 140 95 66.7 34.9 14.5 1.6 4-F16
3/4 " 20 152 115 82.6 42.9 16 1.6 4-F19
1 " 25 165 125 88.9 50.8 17.5 1.6 4-F19
11/4 " 32 178 135 98.4 63.5 19.5 1.6 4-F19
11/2 " 40 190 155 114.3 73 21 1.6 4-F22
2 " 50 216 165 127 92.1 22.5 1.6 8-F19
21/2 " 65 241 190 149.2 104.8 25.5 1.6 8-F22
3 " 80 282 210 168.3 127 29 1.6 8-F22
4 " 100 305 255 200 157.2 32 1.6 8-F22
5 " 125 381 280 235 185.7 35 1.6 8-F22
6 " 150 403 320 269.9 215.9 37 1.6 12-F22
8 " 200 502 380 330.2 269.9 41.5 1.6 12-F25
10 " 250 568 445 387.4 323.8 48 1.6 16-F29
12 " 300 648 520 450.8 381 51.0 1.6 16-F32
14 " 350 762 585 514.4 412.8 54.0 1.6 20-F32
16 " 400 838 650 571.5 469.9 57.5 1.6 20-F35

ในฐานะองค์กรไฮเทคที่มุ่งเน้นการส่งออก Joepai ติดตามอย่างเคร่งครัด กระบวนการผลิตที่ได้มาตรฐานระหว่างประเทศใช้ตัวเลข CNC ศูนย์ควบคุมและการทดสอบการรั่วไหลของหลายขั้นตอนเพื่อให้แน่ใจว่าวาล์วบอลสแตนเลสสตีลมาตรฐาน ANSI ของเราเป็นไปตามมาตรฐาน ANSI/API ผลิตภัณฑ์ทั้งหมดสามารถจัดทำรายงานวัสดุ (MTC 3.1) และการรับรองการทดสอบของบุคคลที่สาม (CE, ISO, API 607 ​​Fire การป้องกัน) ให้การรับประกันการควบคุมวาล์วที่มีเสถียรภาพและเชื่อถือได้สำหรับ ลูกค้าทั่วโลก

ANSI Standard Stainless Steel Ball ValvesANSI Standard Stainless Steel Ball Valves

แท็กยอดนิยม: ANSI มาตรฐานสแตนเลสบอลวาล์วระดับ 150lb
ส่งคำถาม
ข้อมูลติดต่อ
  • ที่อยู่

    อาคาร 2 เลขที่ 4228 ถนน Binhai 3 ถนน Xinghai เขตหลงวาน เมืองเหวินโจว มณฑลเจ้อเจียง จีน

  • โทร

    +86-19957707725

  • อีเมล

    sales@joepaivalve.com

สำหรับการสอบถามเกี่ยวกับวาล์วบอลวาล์วเกตวาล์วลูกโลกหรือรายการราคาโปรดฝากอีเมลของคุณให้เราและเราจะติดต่อภายใน 24 ชั่วโมง
คำแนะนำข่าวสาร
X
เราใช้คุกกี้เพื่อมอบประสบการณ์การท่องเว็บที่ดีขึ้น วิเคราะห์การเข้าชมไซต์ และปรับแต่งเนื้อหาในแบบของคุณ การใช้ไซต์นี้แสดงว่าคุณยอมรับการใช้คุกกี้ของเรา นโยบายความเป็นส่วนตัว
ปฏิเสธ ยอมรับ