Wenzhou Joepai วาล์ว บจก.
Wenzhou Joepai วาล์ว บจก.
ข่าว

ข่าว

เหตุใดบอลวาล์วแรงดันสูงเหล็กฟอร์จ 3 ชิ้นที่คุ้มค่าของเราจึงเป็นตัวเลือกที่ดี

บอลวาล์วแรงดันสูงเหล็กหลอม 3 ชิ้นคืออะไร?

A บอลวาล์วแรงดันสูงเหล็กหลอม 3 ชิ้นหมายถึงบอลวาล์วที่มีความแข็งแรงสูงซึ่งมีโครงสร้างตัวถังสามชิ้นเชื่อมต่อกันด้วยสลักเกลียว องค์ประกอบปิดของมันคือลูกบอลกลึงอย่างแม่นยำ ซึ่งหมุนไปรอบๆ เส้นกึ่งกลางของตัววาล์วด้วยก้านวาล์วเพื่อให้สามารถปิด กระจาย หรือเปลี่ยนการไหลของตัวกลางได้อย่างรวดเร็ว


รายละเอียดสินค้า

บอลวาล์วเหล็กหลอม 3 ชิ้นใช้งานง่าย กะทัดรัด ปิดผนึกอย่างเชื่อถือได้ โครงสร้างเรียบง่าย และบำรุงรักษาง่าย พื้นผิวการซีลและลูกบอลอยู่ในสถานะปิดอยู่เสมอ ทำให้มีโอกาสถูกกัดเซาะจากตัวกลางน้อยลง มีการใช้กันอย่างแพร่หลายในอุตสาหกรรมต่างๆ

ตัววาล์วถูกสร้างขึ้นโดยใช้กระบวนการตีขึ้นรูป และวัสดุอาจเป็นสแตนเลส (เช่น F304, F316) หรือเหล็กกล้าคาร์บอน (เช่น A105) วัสดุเหล็กหลอมมีลักษณะเฉพาะ เช่น โครงสร้างหนาแน่น คุณสมบัติทางกลที่ดีเยี่ยม และทนต่อแรงกระแทกได้ดี ทำให้เหมาะอย่างยิ่งสำหรับสภาพการทำงานที่มีแรงดันสูงและมีความแข็งแรงสูง

ตามความต้องการของระบบไปป์ไลน์ คุณสามารถเลือกวิธีการเชื่อมต่อต่างๆ ได้ เช่น การเชื่อมต่อแบบเกลียว (NPT, BSP-P(G), BSPT(Rc)), การเชื่อมแบบชน (BW), การเชื่อมซ็อกเก็ต (SW) g หรือการเชื่อมต่อแบบแปลน ทำให้การติดตั้งมีความยืดหยุ่นและการปรับตัวที่แข็งแกร่ง

แรงดันการออกแบบสามารถเข้าถึงได้สูงสุด 1,500LB ทำให้เหมาะสำหรับระบบขนส่งแรงดันสูงในด้านต่างๆ เช่น ปิโตรเลียม อุตสาหกรรมเคมี และก๊าซธรรมชาติ


มาตรฐานบอลวาล์วเหล็กหลอม 3 ชิ้น:

1) มาตรฐานการออกแบบและการผลิต: BS5351, MSS SP-118

2) ขนาดสิ้นสุดการเชื่อมต่อ: ANSI B16.10, JB/T1715

ขนาดปลายเชื่อมซ็อกเก็ต: ANSI B16.11, JB/T1715

ขนาดปลายเกลียว: ANSI B1.12.1, JB/T7306

ขนาดปลายเชื่อมชน: ANSI B16.25, JB/T12224

3) การทดสอบและตรวจสอบ: API 598

4) มาตรฐานวัสดุ: ANSI/ASTM


3-Piece Forged Steel High-pressure Ball Valve


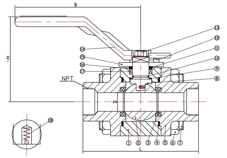
ตารางวัสดุหลัก:

เลขที่ ชื่อชิ้นส่วน เหล็กกล้าคาร์บอน สแตนเลส
1 ร่างกาย A105 F304 F304L F316 F316L
2 ลูกบอล เอสเอส304 F304 SS304L เอสเอส316 SS316L
3 ที่นั่ง PTFE, RPTFE
4 ปะเก็น SS304/SS316 + กราไฟท์
5 หมวก A105 F304 F304L F316 F316L
6 นัท A194-2H A194-8 A194-8M
7 สายฟ้า A193-B7 A193-B8 A193-B8M
8 ก้าน เอสเอส304 F304 SS304L เอสเอส316 SS316L
9 เครื่องซักผ้าแทง PTFE, RPTFE
10 โอริง ไวตัน
11 ต่อม เอสเอส304 เอสเอส304 เอสเอส304 เอสเอส316 เอสเอส316
12 สายฟ้า 1035
13 นัท สแตนเลส
14 รับมือ WCB、สแตนเลส
15 จานจำกัด 1025
16 ป้องกันวงแหวนไฟ SS304、SS316
17 การบรรจุ กราไฟท์
18 ฤดูใบไม้ผลิ SS304、SS316


ตารางขนาดหลัก:

DN มม กรมอุทยานฯ(นิ้ว) แอล มม ด มม อืม
15 1/2” 92 13 66
20 3/4” 112 19 72
25 1” 126 24 100
32 11/4” 129 30 105
40 11/2” 152 38 112
50 2” 176 49 122


3-Piece Forged Steel High-pressure Ball Valve3-Piece Forged Steel High-pressure Ball Valve3-Piece Forged Steel High-pressure Ball Valve3-Piece Forged Steel High-pressure Ball Valve



รับประกันการผลิตอย่างมืออาชีพ – Wenzhou Joepai วาล์ว บจก.

ในฐานะบริษัทที่เชี่ยวชาญด้านการวิจัย พัฒนา และการผลิตบอลวาล์วสแตนเลสและเหล็กกล้าคาร์บอนWenzhou Joepai วาล์ว บจก.ตั้งอยู่ในสวนอุตสาหกรรม Binhai ในเขตหลงวาน เมืองเหวินโจว ซึ่งเป็นที่รู้จักในนาม "เมืองวาล์วของจีน" บริษัทมีฐานการผลิตที่ทันสมัยและระบบควบคุมคุณภาพที่ครอบคลุม บริษัทมีการติดตั้ง:

ศูนย์ R&D มืออาชีพและอุปกรณ์เครื่องจักรกลซีเอ็นซี

เครื่องมือทดสอบขั้นสูง (เช่น เครื่องมือวิเคราะห์หลายองค์ประกอบด้วยคอมพิวเตอร์ เครื่องทดสอบความแข็งลีบ และเกจวัดความหนา)

เครื่องทดสอบแรงดัน เครื่องทดสอบวงจรชีวิต และแพลตฟอร์มการทดสอบแบบเต็มกระบวนการอื่นๆ

อาศัยกระบวนการที่เข้มงวดและนวัตกรรมอย่างต่อเนื่อง Joepai Valve ช่วยให้มั่นใจได้ว่าบอลวาล์วแรงดันสูงเหล็กปลอมแปลง 3PC ทุกตัวตรงตามข้อกำหนดด้านประสิทธิภาพมาตรฐานสูง ให้ลูกค้าได้รับความปลอดภัย เชื่อถือได้ และโซลูชั่นวาล์วที่ทนทาน.


ข่าวที่เกี่ยวข้อง
ฝากข้อความถึงฉัน
X
เราใช้คุกกี้เพื่อมอบประสบการณ์การท่องเว็บที่ดีขึ้น วิเคราะห์การเข้าชมไซต์ และปรับแต่งเนื้อหาในแบบของคุณ การใช้ไซต์นี้แสดงว่าคุณยอมรับการใช้คุกกี้ของเรา นโยบายความเป็นส่วนตัว
ปฏิเสธ ยอมรับ