Wenzhou Joepai วาล์ว บจก.
Wenzhou Joepai วาล์ว บจก.
ข่าว

ข่าว

JOEPAI เปิดตัววาล์วดับเพลิงสแตนเลส 304 ใหม่ราคาประหยัด – ความต้านทานการกัดกร่อนที่เหนือกว่าตรงตามมาตรฐาน AS2419.2

โจไปมีความภูมิใจที่จะแนะนำนวัตกรรมใหม่ล่าสุดในโครงสร้างพื้นฐานการป้องกันอัคคีภัย:ช่วงใหม่ของวาล์วดับเพลิงสแตนเลส 304. ออกแบบมาเพื่อความทนทาน ความสอดคล้อง และความคุ้มค่า วาล์วเหล่านี้มีทางเลือกที่เหนือกว่ารุ่นทองเหลืองแบบดั้งเดิม— มอบความต้านทานการกัดกร่อนที่เพิ่มขึ้นในราคาที่แข่งขันได้มากขึ้น

ออกแบบให้สอดคล้องกับAS/นิวซีแลนด์ 2419.2:2009วาล์วจ่ายน้ำแบบใหม่นี้เหมาะอย่างยิ่งสำหรับการใช้งานที่หลากหลาย รวมถึงระบบดับเพลิงเชิงพาณิชย์ อุตสาหกรรม และที่อยู่อาศัย โดยเฉพาะอย่างยิ่งในสภาพแวดล้อมที่รุนแรงเช่นทางทะเลและการขุด.


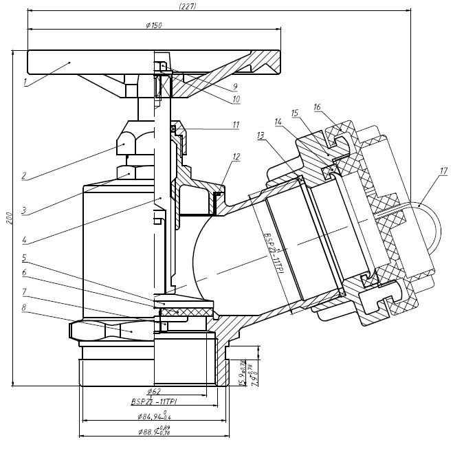
Stainless Steel 304 Fire Hydrant Valves

จุดเด่นของผลิตภัณฑ์:

ประเภทเกลียว: อะแดปเตอร์ BSP Forged Storz แบบทำมุมขนาด 65 มม. พร้อมฝาพลาสติก UV

ประเภททางเข้า: ม้วนมีร่อง 80 มม

เกรดวัสดุ: ตัว, ฝากระโปรง, จาน, น็อตใน CF8 (SS304); ต้นกำเนิดใน SS316 เพื่อเพิ่มความแข็งแรง

วัสดุซีล: ยาง NBR เพื่อประสิทธิภาพการป้องกันการรั่วที่เชื่อถือได้

วงล้อมือ: เหล็กหล่อ HT200 ทนทาน

เสร็จ: เคลือบสีแดงมองเห็นได้ชัดเจน

ความดันการทำงาน: 1,400 กิโลปาสคาล

แรงดันทดสอบอุทกสถิต: 2,700 กิโลปาสคาล

แรงดันทดสอบความหนาแน่นของอากาศ: 800 กิโลปาสคาล

การรับประกัน: 12 เดือน


การปฏิบัติตามข้อกำหนดทางเทคนิค:

ออกแบบและทดสอบเพื่อAS2419.2-2009

การทำงานของล้อเลื่อนราบรื่นโดยไม่มีการติดขัดหลังการประกอบ

ตรวจสอบและทดสอบ 100% ไม่มีข้อบกพร่องหลังการทดสอบอุทกสถิตและความหนาแน่นของอากาศ


ทำไมต้องเลือก SS304 มากกว่าทองเหลือง?

ทนต่อการกัดกร่อนได้ดีขึ้น: เหมาะสำหรับสภาพแวดล้อมที่รุนแรงซึ่งทองเหลืองอาจเสื่อมสภาพเมื่อเวลาผ่านไป

คุ้มค่า: เสนอโซลูชันที่ประหยัดกว่าโดยไม่กระทบต่อคุณภาพหรือประสิทธิภาพ

น้ำหนักเบาแต่แข็งแกร่ง: ง่ายต่อการจัดการและติดตั้งในขณะที่ยังคงความสมบูรณ์ของโครงสร้าง


การกำหนดค่าอื่น ๆ ที่มี:

65 มม. NSW ตัวผู้ x 80 มม. แบบมีร่อง

65 มม. CFA ตัวผู้ x 80 มม. แบบมีร่อง

ตัวผู้ QRT ขนาด 65 มม. x BSP ตัวผู้ขนาด 65 มม

65 มม. BI x 80 มม. แบบมีร่อง

65 มม. QRT ตัวผู้ x 80 มม. ม้วนมีร่อง

อะแดปเตอร์ Storz ขนาด 65 มม. x BSP ตัวผู้ขนาด 65 มม

ไม่ว่าคุณจะอัพเกรดระบบที่มีอยู่หรือระบุสำหรับโครงการใหม่ วาล์วจ่ายน้ำ SS304 ใหม่ของ JOEPAI นำเสนอความสมดุลที่สมบูรณ์แบบของประสิทธิภาพ การปฏิบัติตามข้อกำหนด และความสามารถในการจ่าย.

ติดต่อเราวันนี้เพื่อเรียนรู้เพิ่มเติมหรือขอใบเสนอราคา

ข่าวที่เกี่ยวข้อง
ฝากข้อความถึงฉัน
X
เราใช้คุกกี้เพื่อมอบประสบการณ์การท่องเว็บที่ดีขึ้น วิเคราะห์การเข้าชมไซต์ และปรับแต่งเนื้อหาในแบบของคุณ การใช้ไซต์นี้แสดงว่าคุณยอมรับการใช้คุกกี้ของเรา นโยบายความเป็นส่วนตัว
ปฏิเสธ ยอมรับ